德國BERNSTEIN博恩斯坦塑料外殼傳感器SKT-U1Z M3 SKT-SU1Z M3



電容式接近開關的功能是評估操作頭對開關感應面電場施加的影響。電容器是由一個位于感應面之后的傳感器電*和一個接地操作頭組成的,它的電容量隨著物體的接近程度而隨之增加。電容的增強取決于操作頭的電導率、介電常數、質量、表面積和它到傳感器電*的距離。電容式限位開關配備了RC振動器,它的增益系數在前述電容器發生電容量上升,而導致振蕩時,隨之增加。在限位開關中,振蕩所需電容量由內置電位計對振蕩器反饋測量得到。
BERNSTEIN是**機械式低壓開關設備領域的知名制造商。我們的產品被廣泛應用于不同的場合,從施工升降機到木材加工,從包裝機器到機床,均可見到我們產品的身影。除了功能穩定、質量可靠外,BERNSTEIN開關系統還可以顯著節省安裝和維護所需的時間。這些優勢可以大幅降低停機維修和維護的時間,進一步提高了終端產品生產過程的效益。為實現這些特性,通過采用快接接頭來節省拉線開關,或者使用AS-i組件,不但縮短了安裝時間,還減少了機器內的硬件組件的數量和空間要求。
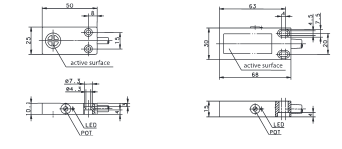
1:無遮蔽盒裝絕緣材料型號 SKT
SKT-U1Z M3 SKT-SU1Z M3 SKT-A2Z M3 SKT-SA2Z M3
2: 無遮蔽盒裝絕緣材料型號 SKI
SKI-U1Z M3 SKI-SU1Z M3 SKI-A2Z M3 SKI-UV15Z M3
3:分離作動器**開關型號 ENK…VTU
ENK-U1Z VTU ENK-A2Z VTU ENK-UV15Z VTU
4:無遮蔽盒裝金屬材料型號 ENM2
ENM2-U1Z VTW GC-U1 VT 90°
5:塑料外殼內帶鎖 SLK
資料下載
視頻介紹